Tình trạng
Thiết bị mới 100%, nhập khẩu chính hãng.
Phanh thủy lực TKG bao gồm
1 Bộ phanh thủy lực, không bao gồm tang phanh.
Đơn vị nhập khẩu
Vina ID., JSC.
Bảo hành: 12 Tháng.
Giá trên Website: có thể thay đổi tùy từng thời điểm.
QUYỀN LỢI ƯU ĐÃI
+ Hướng dẫn vận hành cầu trục: do Dai Viet Crane phát hành(file .pdf).
+ Đào tạo vận hành cầu trục: miễn phí 1 khóa cho bên Mua.
+ Bảo dưỡng cầu trục: miễn phí 1 năm(định kỳ kiểm tra 3 tháng/một lần).

NPP PTS, xuất thân từ một xí nghiệp nghiên cứu, sản xuất & cung cấp linh kiện cho ngành cầu trục, băng tải tại quận Pushkin, Nga. Được thành lập vào đầu năm 1992, một trong số các hướng đi của NPP là phát triển & sản xuất hệ thống phanh cho các hệ truyền động với thiết kế vượt trội.
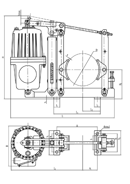
Đây là một loại phanh thường đóng & mở chậm. Thời gian đóng phanh ~ 0.2 - 1.5 giây.
Cấu tạo của phanh thủy lực bao gồm: khung phanh, bầu phanh, ống lò xo & guốc phanh.
Vị trí lắp: sau trục ra động cơ.
Tùy theo từng đường kính tang phanh, moment phanh mà ta có thể chọn loại phanh phù hợp.
Ưu điểm của phanh thủy lực TKG ?
Phanh hoạt động ổn định, tần suất cao.
Phanh có thiết kế đơn giản & chắc chắn.
Đóng mở phanh êm, nhẹ nhàng.
| Dòng sản phẩm | TKG |
| Đường kính tang phanh | 160mm, 200mm, 300mm, 400mm, 500mm, 600mm, 700mm |
| Bầu phanh | TE-30, TE-50, TE-80, TE-200 |
| Mo-ment phanh | 100 N.m, 300 N.m, 800 N.m, 1500 N.m, 2500 N.m, 5000 N.m, 8000 N.m |
| Thời gian đóng phanh | 0.2s - 2.4s |
| Điện áp | AC 380V, 50 - 60Hz |
| Xuất xứ | NPP PTS - Nga |