Tình trạng
Thiết bị mới 100%, nhập khẩu chính hãng.
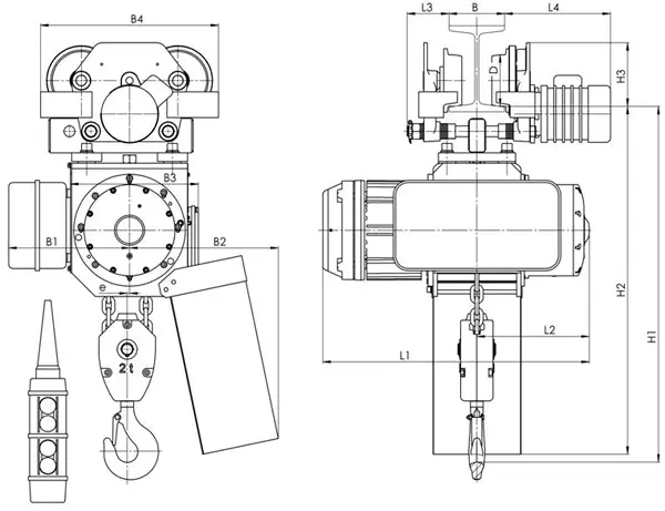
Palang xích BB bao gồm
Cụm nâng( & cụm di chuyển), tay bấm kết nối theo tủ điện đồng bộ, HDSD.
Đơn vị nhập khẩu
Công Ty Cổ Phần Vind Đại Việt.
Bảo hành: 12 tháng.
Giá trên Website: có thể thay đổi tùy từng thời điểm.
QUYỀN LỢI ƯU ĐÃI
+ Hướng dẫn vận hành cầu trục: do Dai Viet Crane phát hành(file .pdf).
+ Đào tạo vận hành cầu trục: miễn phí 1 khóa cho bên Mua.
+ Bảo dưỡng cầu trục: miễn phí 1 năm(định kỳ kiểm tra 3 tháng/một lần).

1. Balkansko, một công ty sản xuất palang nổi tiếng tại thành phố Sevlievo, Bulgaria.
2. Với hơn 30 năm kinh nghiệm & xuất khẩu thiết bị nâng sang 40 nước như Nga, Belarus, Ukraine, Turkey, Iran...
3. Chứng nhận quốc tế cho hệ thống quản lí chất lượng ISO 9001:2015.
2. Tải trọng nâng, được thiết kế từ 2 tấn trở xuống.

1. Cụm nâng và cụm di chuyển.
3. Hộp chứa xích.
4. Xích điện đi kèm.
5. Hướng dẫn sử dụng palang xích điện CH Series - Vind Dai Viet.
1. Trong môi trường làm việc có tần suất & tốc độ nâng thấp, phanh nâng kiểu rotor côn.

2. Thiết bị an toàn: Bảo vệ quá nhiệt, giới hạn.
3. Hành trình nâng hạ, phanh điện từ.

1. Độ an toàn & chất lượng thiết bị sau khi sử dụng được đánh giá cao.
2. Chế độ bảo hành lâu dài, 18 tháng tính từ thời điểm bàn giao, nghiệm thu & đưa vào sử dụng.
6. Xích tải được cuốn qua bộ truyền động và thu về túi xích nên việc tăng chiều cao nâng cực kỳ đơn giản mà không phải thay đổi kết cấu của palang.
8. Chi phí lắp đặt và bảo dưỡng rẻ hơn so với các loai palang xích khác có cùng quy cách.
![]()
2. Sản phẩm được nhập khẩu với đầy đủ giất tờ CO, CQ đi kèm nên các bạn yên tâm về nguồn gốc xuất xứ của sản phẩm.
- Palang điện Kukdong - Hàn Quốc.
- Và còn rất nhiều các loại palang và các loại phụ kiện cầu trục khác.
| Dòng sản phẩm | Palang xích điện, dòng BB |
| Tải trọng nâng | 1 - 2 Tấn |
| Dải chiều cao nâng | 3.2M, 6.4M, 9M, 12M |
| Tốc độ nâng | 4 m/min(8 m/min) |
| Tốc độ di chuyển ngang | 20 m/min |
| Kiểu lắp đặt | Dầm I, Móc treo cố định |
| Chế độ làm việc | ISO M4/ 1Am |
| Xuất xứ | Balkansko - Bulgaria |