Palang cáp điện Balkansko - Dầm đơn, dòng MT, 4/1, 10 - 20 Tấn
Tìm hiểu về palang cáp điện Balkansko Echo - Bulgaria
1. Palang cáp điện dòng MT series là dòng sản phẩm palang cáp điện, tời điện nổi tiếng nhất của Bulgaria được bán trên toàn thế giới.
2. Hơn 1 800 000 chiếc đã được sản xuất và được bán tại hơn 40 quốc gia trong mỗi năm.
3. Ưu điểm chính của dòng Palang này là: độ tin cậy cao, độ bền cao, bảo dưỡng đơn giản, giá thành cạnh tranh.
4. Những lợi thế vượt trội khi lắp đặt trên cầu trục, Palang có tốc độ nâng hạ và tốc độ di chuyển cao tăng năng suất và rút ngắn thời gian thao tác.
5. Palang cáp điện MT series được sử dụng ở trong các điều kiện khác nhau chế độ làm việc theo tiêu chuẩn FEM - 2M, 3M, 4M,

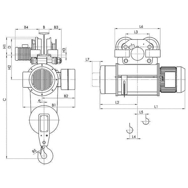
Bản vẽ palang cáp điện Balkansko - Dầm đơn, dòng MT, 4/1, 2 - 6.3 Tấn
Đôi nét về hãng sản xuất palang Balkansko Echo - Bulgaria

Palang cáp điện Balkansko - Dầm đơn, dòng MT, 4/1, 10 - 20 Tấn
Phân loại palang cáp điện Balkansko Echo - Bulgaria

Palang cáp điện Balkansko - Dầm đơn, dòng MT, 4/1, 10 - 20 Tấn
Các thiết bị đi kèm và kiểu lắp đặt của palang cáp điện Balkansko - Dầm đơn, dòng MT, 4/1, 10 - 20 Tấn
1. Thiết bị điều khiển palang cáp điện Balkansko - Dầm đơn, dòng MT, 4/1, 10 - 20 Tấn: Bằng tay bấm có dây hoặc tay bấm không dây.
2. Thiết bị an toàn: Bảo vệ quá nhiệt, giới hạn.
3. Hành trình nâng hạ, phanh điện từ.
4. Kiểu lắp đặt palang cáp điện Balkansko - Dầm đơn, dòng MT, 4/1, 10 - 20 Tấn: được lắp đặt dưới bản cánh dầm I.

Palang cáp điện Balkansko - Dầm đơn, dòng MT, 4/1, 10 - 20 Tấn
Palang cáp điện Balkansko - Dầm đơn, dòng MT, 4/1, 10 - 20 Tấn bao gồm:
1. Cụm nâng & di chuyển.
2. Tay bấm kết nối theo tủ điện đồng bộ.
3. Móc cẩu.
4. Cáp thép.
5. Catalogue.

Palang cáp điện Balkansko - Dầm đơn, dòng MT, 4/1, 10 - 20 Tấn
Palang cáp điện Balkansko - Dầm đơn, dòng MT, 4/1, 10 - 20 Tấn được sử dụng ở đâu?
1. Trong môi trường có chế độ làm việc với tần suất cao (nhấn, nhả nút bấm liên tục), phanh nâng kiểu rotor côn là thiết kế phù hợp.
2. Palang cáp điện Balkansko - Dầm đơn, dòng MT, 4/1, 10 - 20 Tấn thường được lựa chọn trong các nhà máy sản xuất Xi măng với ưu điểm chiều cao nâng lớn hay nhà máy sản xuất bê tông ly tâm với lợi thế về phanh nâng...

Palang cáp điện Balkansko - Dầm đơn, dòng MT, 4/1, 10 - 20 Tấn
Palang cáp điện Balkansko - Dầm đơn, dòng MT, 4/1, 10 - 20 Tấn có ưu điểm:
1. Palang cáp điện Balkansko - Dầm đơn, dòng MT, 4/1, 10 - 20 Tấn có tính đa dạng trong dải tốc độ & chiều cao nâng.
4. Palang cáp điện Balkansko - Dầm đơn, dòng MT, 4/1, 10 - 20 Tấn có thiết kế & màu sắc thiết bị mang tính thẩm mỹ.
6. Khi dùng palang cáp điện Balkansko - Dầm đơn, dòng MT, 4/1, 10 - 20 Tấn sẽ tiết kiệm được rất nhiều điện năng.
7. Chi phí lắp đặt và bảo dưỡng rẻ hơn so với các loai palang xích khác có cùng quy cách.

Palang cáp điện Balkansko - Dầm đơn, dòng MT, 4/1, 10 - 20 Tấn
Nên mua palang cáp điện Balkansko - Dầm đơn, dòng MT, 4/1, 10 - 20 Tấn ở đâu?
1. Hãy đến với Dai Viet Crane – nơi cung cấp palang cáp điện Balkansko - Dầm đơn, dòng MT, 4/1, 10 - 20 Tấn chính hãng với giá thành tốt nhất, chất lượng sản phẩm được bảo đảm tuyệt đối.
2. Sản phẩm được nhập khẩu với đầy đủ giất tờ CO, CQ đi kèm nên các bạn yên tâm về nguồn gốc xuất xứ của sản phẩm.
3. Ngoài cung cấp palang cáp điện Balkansko - Dầm đơn, dòng MT, 4/1, 10 - 20 Tấn, chúng tôi còn cung cấp các loại palang như:
- Palang xích điện Balkansko Echo - Bulgaria, dòng BE
- Palang điện Kukdong - Hàn Quốc.
- Và còn rất nhiều các loại palang và các loại phụ kiện cầu trục khác.